Discussão sobre o projeto da fonte de alimentação de tensão estabilizada comutada
A função desta parte é fornecer a tensão de acionamento do chip usado na parte principal da fonte de alimentação e usá-la como tensão de referência.

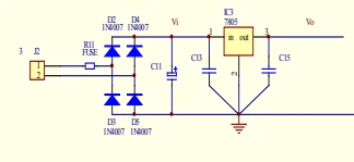
A fonte de alimentação fornece uma alimentação DC estável mais 5V, suaA função principal é fornecer comparador, decodificador e codificadorA tensão da unidade é mais 5V. Figura 1.

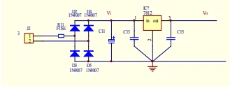
A fonte de alimentação fornece uma fonte de alimentação DC estável mais 12V, e sua função principal é fornecer a tensão de condução mais 12V para 2803 e fornecer a tensão de referência do comparador. Figura 2.
A fonte de alimentação é composta principalmente de três partes: retificação, filtragem e estabilização de tensão, e algumas funções são as seguintes:
Circuito retificador da ponte:
No semiciclo positivo de U2, o potencial do ponto a é maior que o do ponto b, D1 e D3 são ligados, D2 e D4 são cortados e a corrente retorna do terminal a para o terminal b da fonte de alimentação através D1, RL e D3; no meio ciclo negativo de U2, o potencial no ponto b é maior que o potencial no ponto a, D2 e D3 são ligados, D1 e D3 são cortados e a corrente retorna da extremidade b para a extremidade a da fonte de alimentação através de D2, RL e D4. Comparado com o circuito retificador de meia onda, nas mesmas condições de U2 e RL, a corrente e a tensão de saída são duplicadas; o grau de ondulação atual é reduzido; o transformador
Existem correntes simétricas fluindo nos semiciclos positivo e negativo, que são totalmente utilizadas e não há problema de magnetização única, mas são necessários quatro diodos retificadores e o circuito é um pouco complicado. Em comparação com a retificação de onda completa, embora sejam usados mais 2 diodos retificadores, a tensão suportável reversa é dobrada, o secundário do transformador é uma volta a menos e o custo total é menor do que o de um circuito retificador de onda completa.
A fonte de alimentação fornece uma fonte de alimentação DC estável mais 12V, e sua função principal é fornecer a tensão de condução mais 12V para 2803 e fornecer a tensão de referência do comparador. Figura 2.
A fonte de alimentação é composta principalmente de três partes: retificação, filtragem e estabilização de tensão, e algumas funções são as seguintes:
Circuito retificador da ponte:
No semiciclo positivo de U2, o potencial do ponto a é maior que o do ponto b, D1 e D3 são ligados, D2 e D4 são cortados e a corrente retorna do terminal a para o terminal b da fonte de alimentação através D1, RL e D3; no meio ciclo negativo de U2, o potencial no ponto b é maior que o potencial no ponto a, D2 e D3 são ligados, D1 e D3 são cortados e a corrente retorna da extremidade b para a extremidade a da fonte de alimentação através de D2, RL e D4. Comparado com o circuito retificador de meia onda, nas mesmas condições de U2 e RL, a corrente e a tensão de saída são duplicadas; o grau de ondulação atual é reduzido; o transformador
Existem correntes simétricas fluindo nos semiciclos positivo e negativo, que são totalmente utilizadas e não há problema de magnetização única, mas são necessários quatro diodos retificadores e o circuito é um pouco complicado. Em comparação com a retificação de onda completa, embora sejam usados mais 2 diodos retificadores, a tensão suportável reversa é dobrada, o secundário do transformador é uma volta a menos e o custo total é menor do que o de um circuito retificador de onda completa.
2 Projeto da fonte de alimentação principal
Esta parte ajusta a tensão através do regulador de tensão integrado ajustável de três terminais. Quando o potenciômetro R2 é ajustado, a tensão mudará com o valor da resistência do resistor.
3 Projeto da parte do circuito de proteção O circuito de proteção adota a função de tubo de efeito de campo e seu funcionamento
O princípio de operação é o seguinte: quando a saída da fonte de alimentação está em curto-circuito, a fonte de porta do transistor de efeito de campo VT2 torna-se igual a potencial e conduz, e sua fonte de dreno compartilhará a corrente de base do transistor de ajuste VT1 para reduzir a corrente de condução do transistor de ajuste. Função, R2 é o resistor de proteção da porta do transistor de efeito de campo. Ao selecionar um tubo de efeito de campo, a queda de tensão de condução (a tensão entre o dreno e a fonte) deve ser menor que a queda de tensão de condução da junção do emissor do tubo de ajuste.
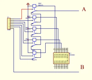
4 Design da peça de acionamento do relé
O design desta peça utiliza principalmente a função especial do relé: quando há tensão em ambas as extremidades do relé, o relé é ligado, caso contrário, o relé é desligado. O relé é acionado por um chip 2803, conforme mostrado na Figura 3, pode-se ver que ambas as extremidades de A e B estão conectadas à parte retificadora, e o terminal de entrada de 2803 está conectado à parte decodificada. Quando o sinal de decodificação for transmitido para 2803, ele julgará que a saída dessa extremidade é de nível alto e o relé conectado a esta extremidade é ligado, ou seja, é conectado à primeira engrenagem do transformador para desempenhar o papel de deslocamento.

